ELECTRICALS - Designing and new solutions for electrical components



Side-arm-bracket LANTERNS



Used short forms:
OL = Overall Length
OW = Overall Width
OH = Overall Height (with flat lens)
LCL= Lighting Compartment Length
LL = Lens' clear Length
LW = Lens' clear Width
TD = Arm's bracket end diameter (tenon)


NOTICE !
All dimensions are given in millimeters.




1 - Large size side-arm lanterns



'BVA-70-B' unclosed full-cut-off lantern
Main features:
OL=700 ; OW=350 ; OH=200 ; LCL=450 ; TD=48...60
Suitable lamps : HID 150...700W with E40 or Mog base.


'BVA-70-T' unclosed full-cut-off lantern
Main features:
OL=800 ; OW=350 ; OH=200 ; LCL=450 ; TD=48...60
Suitable lamps : HID 150...700W with E40 or Mog base.


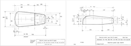
'BVA-84' unclosed full-cut-off lantern
Main features:
OL= 840 ; OW= 480 ; OH=240 ; TD=60
Suitable lamps : HID 400...1000W with E40 or Mog base.


'Dezs1' tailed full-cut-off closed lantern
Main features:
OL=700 ; OW=320 ; OH=185 ; LCL=450 ; TD=48...60
Suitable lamps : HID 150...400W with E40 or Mog base.


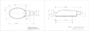
'Dezs2' short full-cut-off closed lantern
Main features:
OL=590 ; OW=325 ; OH=185 ; LCL=525 ; TD=48...60


'Dezs3' break full-cut-off closed lantern
Main features:
OL=650 ; OW=300 ; OH=175 ; LCL=450 ; TD=48...60
Suitable lamps : HID 70...250W or CFL 100...115W.


'Gaagh' unclosed full-cut-off lantern
Main features:
OL=480 ; OW=315 ; OH=175 ; LCL=445 ; TD=48...60
Suitable lamps : HID 70...400W ,incandescent, quick start.





2 - Medium and small size side-arm lanterns



'Dezs1-' tailed full-cut-off closed lantern
Main features:
OL=515 ; OW=220 ; OH=115 ; LCL=335 ; TD=38...45


'Dezs1' tailed full-cut-off closed lantern
Main features:
OL=385 ; OW=160 ; OH=90 ; LCL=250 ; TD=30...34


'Dezs1' tailed full-cut-off closed lantern
Main features:
OL=345 ; OW=145 ; OH=85 ; LCL=235 ; TD=27...30





3 - Low-voltage small size side-arm lanterns



'Dezs2' low-voltage closed lantern
Main features:
OL=245 ; OW=125 ; OH=63 ; LCL=215 ; TD=20;22;25


Click here for long side-arm lanterns page.

main page
233
Electricals © 2005 - All rights reserved